BreakPoint

cancel
Showing results for 
Search instead for 
Did you mean: 

Rube Goldberg Code

Yes Ray,

It is "Also known as" from wikipedia

Thanks for the info

Mathan

0 Kudos
Message 251 of 2,635
(13,374 Views)

I was using the silent 'n' version Smiley Very Happy

 

Regards
Ray Farmer
0 Kudos
Message 252 of 2,635
(13,370 Views)
Dear Norbert B,
@Patha: WEQ is a definition also made by Altenbach and stands for "Wire Equivalent Code" See message 16 (page 1) of this nice thread 🙂

Nice to call as patha rather than partha. ha ha ha Smiley Surprised

 " See message 16 (page 1) of this nice thread 🙂

And offcourse it is page no 2 and not 1. Smiley Wink
 
Mathan
0 Kudos
Message 253 of 2,635
(13,364 Views)


@Mathan wrote:






Nice to call as patha rather than partha. ha ha ha Smiley Surprised




 " See message 16 (page 1) of this nice thread 🙂





And offcourse it is page no 2 and not 1. Smiley Wink

 

Mathan



Mathan,

well, i don't quite get the point of my miswriting of "Partha"... i suspect you are refering to this.

And, of course it's page 1 if you didn't stick with the stupid initial setting of this board. I changed my settings to list 25 messages per page, so this thread takes an overall of 11 pages for all those 254 messages. You can change that on your in the preferences of your profile in the section "Linear Format Settings"....

hope this helps,
Norbert


Message Edited by Norbert B on 05-09-2008 08:23 AM
Norbert
----------------------------------------------------------------------------------------------------
CEO: What exactly is stopping us from doing this?
Expert: Geometry
Marketing Manager: Just ignore it.
0 Kudos
Message 254 of 2,635
(13,340 Views)

OK, guys!

At one point in the distant past this thread was a collection of Rube Goldberg Code. Can we try to keep it that way???

I am all for endless discussions of acronyms and movie sequels, but maybe there should be a seperate thread for all this. 🙂

Thanks!

Message 255 of 2,635
(13,322 Views)
Here, here! Thank you for bringing some sanity back to this thread.

Now, let's see some code!
0 Kudos
Message 256 of 2,635
(13,326 Views)
Look at the true case in the VI posted here.
Message 257 of 2,635
(13,289 Views)
And another nice Goldberg found in this thread



Norbert


Message Edited by Norbert B on 05-14-2008 03:23 AM
Norbert
----------------------------------------------------------------------------------------------------
CEO: What exactly is stopping us from doing this?
Expert: Geometry
Marketing Manager: Just ignore it.
0 Kudos
Message 258 of 2,635
(13,234 Views)

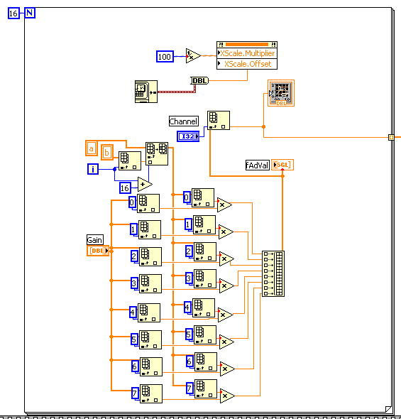
I was wondering if this the attached image is a Goldberg.  I think it might be because the global of an indicator is wired when the indicator is right next to it.  The only reason I hesitate is because I found this in an Express VI (hope its not bad to post this part it).  And there is nothing in the False case of the if loop.

Is it a Goldberg?

--Robert

0 Kudos
Message 259 of 2,635
(13,123 Views)

Here is the code:

This indicator is actually used to hold the data so that when you open the express VI again you will immediately see the previous data. It is possible that the local was used in an attempt to load the front panel into memory, but that would be useless, since locals don't do that. I suppose it's also possible that the local serves some need in the process of creating the display VI, but if it does, that need is not documented in this code and that's a bit of a Goldberg.


___________________
Try to take over the world!
0 Kudos
Message 260 of 2,635
(13,101 Views)