Digital I/O

cancel
Showing results for 
Search instead for 
Did you mean: 

68k microprocessor

large.png

 

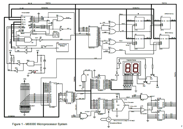
i am trying to understand this circuit for  68k microprocessor.

 

-what is the propose of U14 with the ROM and RAM  ?

-what is the start and end address for each of RAM and ROM?

-what is the assembly language stated to show F and 0 in left hand of 7 segment display?

 

0 Kudos
Message 1 of 2
(4,312 Views)

What possible relationship is there between your question and NI's digital I/O hardware? For that matter, any NI hardware or software? This is not the correct place to post random homework questions.

Message 2 of 2
(4,304 Views)