Example Code

Análisis de un Sistema Trifásico Utilizando cRIO

Code and Documents

Attachment

Download All

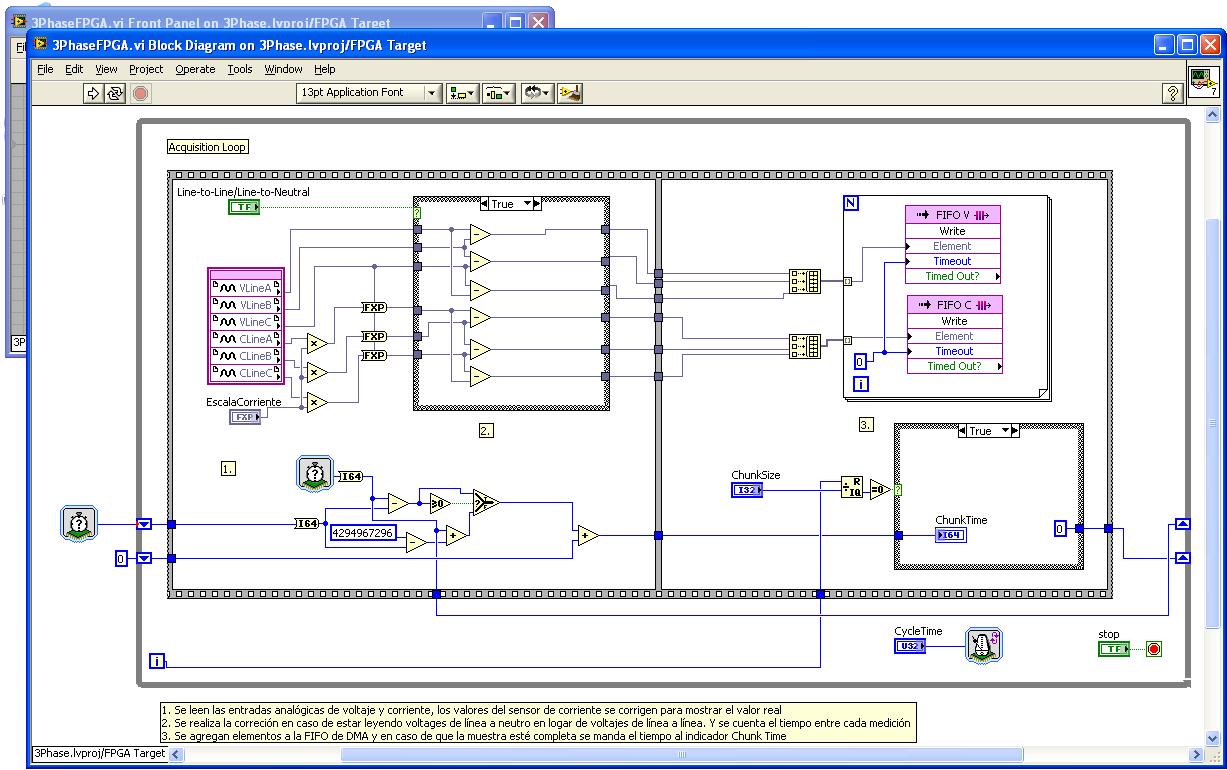
Proyecto que demuestra una aplicación en la que se realiza la adquisición de datos de un sistema trifásico a la vez que se realizan distintas mediciones y análisis como análisis en frecuencia, análisis de distorsión, ruido, potencia del sistema e infromación fasorial de cada línea.

En este proyecto se utilizaron dos módulos para adquirir las señales simuladas de Voltaje y Corriente, por lo que si se va a realizar una aplicación con voltajes de línea se recomienda utilizar módulos más adecuados para dichas mediciones, en cuanto a capacidad de medición (rango de voltaje) y que puedan realizar mediciones simultáneas para mantener una correcta relación entre las mediciones. Se recomienda probarlo primero con señales simuladas para comprobar que los cambios realizados al VI no afectan su funcionamiento al incorporar el nuevo chassis y módulos.

Para poder utilizarlo correctamente se necesita descargar  el toolkit que se encuentra en la siguiente liga:

http://zone.ni.com/devzone/cda/tut/p/id/8652

NOTA: debido a cambios en la paleta EPM la versión 2009 de los archivos contiene cambos que permiten utilizar los VIs actualizados.

Se hicieron ligeros cambios a algunos de los VIs de la librería y se encuentran dentro de la carpeta comprimida, bajo el directorio EPM

FPGA.JPG

Francisco Arellano

National Instruments Mexico
Field Systems Engineer - Energy Segment
www.ni.com/soporte

Example code from the Example Code Exchange in the NI Community is licensed with the MIT license.

Contributors