LabVIEW Interface for Arduino Discussions

cancel
Showing results for 
Search instead for 
Did you mean: 

Get frequency of a signal generated by piezo electrique ?

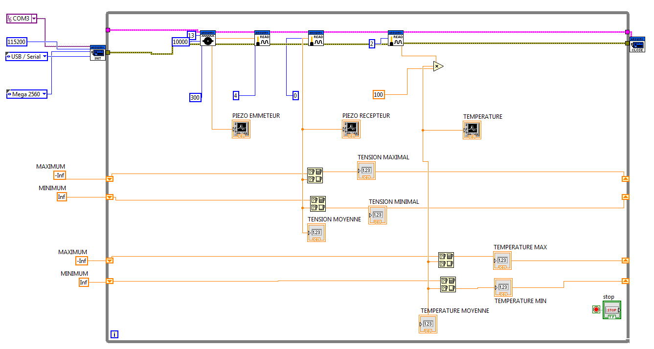
hi , i have a probleme i can't get frequency of signal generated by a piezo electrique beacause the signal is not periodique , please i need  a methode to resolve that probleme

capture1.PNG

0 Kudos
Message 1 of 3
(4,022 Views)

Hi,Can you attach the actual VI ?Barddya

From: Matt_McLaughlin <web.community@ni.com>

To: barddya <barddya@yahoo.com>

Sent: Monday, June 27, 2016 5:47 AM

Subject: Re: - Get frequency of a signal generated by piezo electrique ?

|

|

NI Community

|

Get frequency of a signal generated by piezo electrique ?

reply from Matt_McLaughlin in LabVIEW Interface for Arduino - View the full discussionhi , i have a probleme i can't get frequency of signal generated by a piezo electrique beacause the signal is not periodique , please i need  a methode to resolve that probleme https://decibel.ni.com/content/servlet/JiveServlet/downloadImage/2-140140-200175/450-240/capture1.PNG Reply to this message by replying to this email -or- go to the message on Community Start a new discussion in LabVIEW Interface for Arduino by email or at Community

0 Kudos
Message 2 of 3
(3,592 Views)

Please provide more information about your Piezo Electric input signal.  What  are you trying to measure? 

hrh212

0 Kudos
Message 3 of 3
(3,592 Views)