LabVIEW Team Indonesia

cancel
Showing results for 
Search instead for 
Did you mean: 

Terdeteksi Sinyal Frekuensi yang Tidak Diinginkan pada DAQ Assistant

saya melakukan percobaan analisis frekuensi dari microphone menggunakan labview, saya mengikuti tutorial pada video ini: https://www.youtube.com/watch?v=DKQT4M7M2Fg

saya menggunakan ni usb-6009. grafik dapat bekerja, bila saya memberi suara dengan frekuensi sebesar sekian, grafik dapat membaca pada frekuensi berapa suara yang terdengar. tetapi, hasil yang saya dapatkan ada yang tidak sesuai, ada sinyal frekuensi yang selalu terbaca yaitu di sekitaran 3000 Hz walaupun tidak ada suara yang terdengar. saya menggunakan DAQ Assistant pada blog diagramnya, dan men-set 800 pada Samples To Read, dan 8000 pada Rate (Hz). bila saya men-set angka tersebut, pada grafik pasti membaca frekuensi sebesar sekitaran 3000 Hz, walaupun tidak ada suara yang terdengar, dan apabila saya rubah-rubah angka Samples To Read dan Rate-nya, sinyal yang tidak diinginkan juga terdeteksi pada nilai frekuensi yang lain.

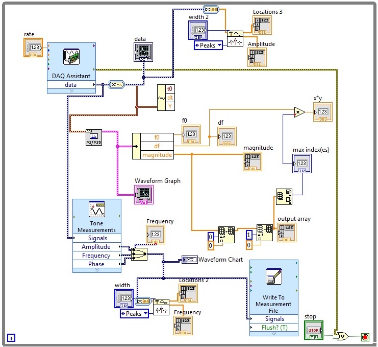
skema blok diagram yang saya buat seperti ini:

freqanalysismic_bd.jpg

front panelnya seperti ini:

freqanalysismic_fp.jpg

pada waveform graph dan waveform chart (line merah) selalu terbaca frekuensi sebesar sekitaran 3000 Hz, walaupun tidak ada suara yang terdengar.

itu mengapa bisa terjadi seperti itu? padahal saya mengikuti tutorialnya dengan persis. saya telah mencoba mengganti micnya, dan kapasitornya, bahkan pernah saat micnya tidak tersambung, dia tetap membaca di frekuensi 3000 Hz. mohon bantuannya/penjelasannya, terima kasih.

0 Kudos
Message 1 of 4
(4,042 Views)

Coba isolir masalahnya:

1. Apakah di usb 6009?

  --> coba ganti channel lain, masih ada noise 3khz?

  --> coba copot circuit microphone, apakah masih ada?

Kalau masih ada usb 6009 ada kemungkinan rusak.

2. Apakah di circuit microphone?

  --> coba ke lab, pinjem oscilloscope, atau dynamic signal analyzer atau spectrum analyzer, apakah ada noise 3khz?

3. Apakah di microphone

Certified LabVIEW Developer (CLD)
Certified TestStand Developer (CTD)
Using LabVIEW 8.5.1 (2008) to LabVIEW 2024
Message 2 of 4
(3,678 Views)

sepertinya memang usb 6009 nya yang rusak, karena microphone sudah diganti tetapi hasil tetap sama, bahkan saat saya lepas semua komponen microphonenya, masih ada noisenya. terima kasih atas jawabannya

0 Kudos
Message 3 of 4
(3,678 Views)

halo ditty

coba kontak kantor NI utk repair:

Suite E23
Sentral Senayan 2, 16th Floor
Jl. Asia Afrika No. 8
Gelora Bung Karno, Senayan
Jakarta Pusat 10270, Indonesia


Tel: (6221) 2924 1911

Certified LabVIEW Developer (CLD)
Certified TestStand Developer (CTD)
Using LabVIEW 8.5.1 (2008) to LabVIEW 2024
Message 4 of 4
(3,678 Views)