06-15-2006 03:08 PM
06-15-2006 08:07 PM
06-15-2006 09:01 PM
06-16-2006 07:59 AM
I have to second (third) the previous posters.
Suggestion:
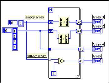
When ever a value (like the file refernce) is wired through a For loop that could iterate "0" times, a shift register should be used instead of a tunnel.
By using the shift register, the config file ref will NOT be lost when the For loop does not iterate.
Additional note:
Similarly with the error cluster inside a For loop, a shift register for the Error Cluster will enusre that an error of any of the iterations will not be lost by subsequent iterations.
Ben
06-16-2006 12:00 PM - edited 06-16-2006 12:00 PM
Message Edited by Rashid on 06-16-2006 12:00 PM
06-16-2006 12:03 PM - edited 06-16-2006 12:03 PM

Message Edited by daveTW on 06-16-2006 07:05 PM
06-16-2006 12:18 PM
Thanks to all!
I failed to point out that I originally learn about the "SR and 0-iteration For Loop" from none other than Rolf Kalbermatter in an Info-LabVIEW posting..
I feel better now.
Ben