LabVIEW

cancel
Showing results for 
Search instead for 
Did you mean: 

Calling a vi for stopping previous vi


@AjinkyaM wrote:

i am posting both the vi's please have a look. i am running temperature vi and another vi contains logic for stopping it. 


You are NOT "running temperature vi".  You're running Temp.exe over and over in a loop.  Is this a homework problem?  You're very far from a good solution.

 

CPU%20Temperature%20core%20temp[1]_BD.png

Jim
You're entirely bonkers. But I'll tell you a secret. All the best people are. ~ Alice
For he does not know what will happen; So who can tell him when it will occur? Eccl. 8:7

0 Kudos
Message 11 of 12
(572 Views)

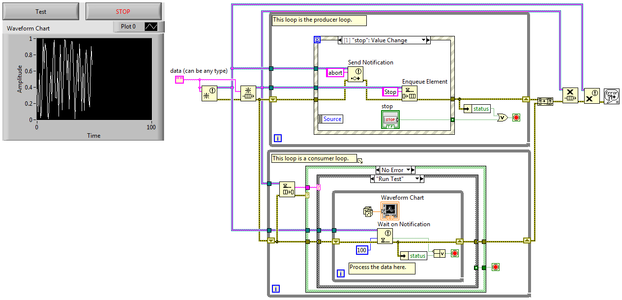
you can use a notifier to communicate a "stop" to "wait on notification" for another sub.vi running...

trigger%20and%20stop%20loop[1][1].png

0 Kudos
Message 12 of 12
(564 Views)