LabVIEW

cancel
Showing results for 
Search instead for 
Did you mean: 

Connection four fields to one

Hello,

you know tell me what is wrong?

if each type separately ... it works

when I connect an extract of the four fields into one so nothing happens...

thank you for your adviceproblem.jpg

0 Kudos
Message 1 of 5
(3,213 Views)
Try building an array with concatenate inputs, interleaving will give you an array with length equal to the shortest input, probably zero.
Message 2 of 5
(3,210 Views)

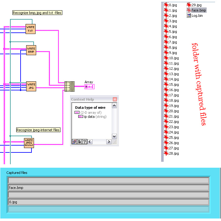
thank you for the advice,
problem is that now the field is 2D (see Figure)

does not display the names underneath....

 

I need write items in order underneath


problem.jpg

0 Kudos
Message 3 of 5
(3,199 Views)

As Darin said, use concatenate inputs.  Right-click the build array and select it from the pop-up menu.

 

EDIT: Or, just use the concatenate string VI in the strings palette.

LabVIEW Pro Dev & Measurement Studio Pro (VS Pro) 2019
Message 4 of 5
(3,196 Views)

I understand ....it works 
Thank you very much...


0 Kudos
Message 5 of 5
(3,187 Views)