LabVIEW

cancel
Showing results for 
Search instead for 
Did you mean: 

Display delay problem while dealing with many controls in VI

well i m trying,,, my best from my side,, i would have any query,, then,, will cum back sun,,,
 
 
 
thanks.. for kind help titou
 
manisha
0 Kudos
Message 11 of 23
(1,310 Views)
It took me a while to put things together but I eventually got to something I am proud of Smiley Very Happy

This should remain quite fast even with thousands of LED and what I am most proud of is that there is nothing to change in the code if you want to add a new channel 😉 !

That's total abstraction !
Let me know if you need comments or explanation or more ideas.

Message Edité par TiTou le 03-30-2006 12:57 PM


We have two ears and one mouth so that we can listen twice as much as we speak.

Epictetus

Antoine Chalons

Message 12 of 23
(1,308 Views)
Titou,

Any chance of a 6.1 version or a jpg?

Shane.
Using LV 6.1 and 8.2.1 on W2k (SP4) and WXP (SP2)
0 Kudos
Message 13 of 23
(1,305 Views)
I don't think I can save that in 6.1, or you'll have to tell me how Smiley Surprised... as far as I know I can save it in 7.0 only since I have 7.1.1... Smiley Indifferent

But picture, of course I can 😉

Feel free to ask more , but I this is the most interesing part and I think you can code that with 6.1



Message Edité par TiTou le 03-30-200601:39 PM

Message Edité par TiTou le 03-30-200601:39 PM


We have two ears and one mouth so that we can listen twice as much as we speak.

Epictetus

Antoine Chalons

0 Kudos
Message 14 of 23
(1,305 Views)
Titou,

Yup that'll work in 6.1.

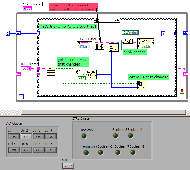
Have you checked the cluster orser in both clusters as to why you need to reverse the aray of references?

Do you really need to cast to a control?  Aren't all returned values "control"s anyway?

Shane.
Using LV 6.1 and 8.2.1 on W2k (SP4) and WXP (SP2)
Message 15 of 23
(1,296 Views)
I did check the order on both array, I still don't understand...

And yes, the "To More Specific Class" is required, I thought not at the begining but in fact yes... and I was surprised, just like you 😉



We have two ears and one mouth so that we can listen twice as much as we speak.

Epictetus

Antoine Chalons

0 Kudos
Message 16 of 23
(1,293 Views)
Hmm, I really would have thought that a function like "controls[]" would return just that, an array of "controls".

The reverse array thing seems quite odd and illogical.  Bug maybe?

Shane

Using LV 6.1 and 8.2.1 on W2k (SP4) and WXP (SP2)
0 Kudos
Message 17 of 23
(1,287 Views)
Shane,

We I found out the explanation for the first point, it depends if you select "all objects" or "controls" in the property node (see pics) I should hace chosen "object" not to need the "to more specific".





For the other point (reverse array) I don't know... I found the first, so maybe you'll find the second Smiley Very Happy



Message Edité par TiTou le 03-30-200603:26 PM


We have two ears and one mouth so that we can listen twice as much as we speak.

Epictetus

Antoine Chalons

0 Kudos
Message 18 of 23
(1,287 Views)
Correct:  For me too (LV 6.1) I get controls from the "controls" list, and Objects from the "Objects" list (See picture).

This is why I thought it would not be neccessary to re-cast....... I didn't originally "get" the distingtion between "Objects[]" and "Controls[]".  In fact, I don't recall I've EVER used the AllObjs[] functionality......


As to the re-ordering, I'll get my team of me onto it right away.  I should have an answer by LV X. Smiley Surprised

Shane

Message Edited by shoneill on 03-30-200603:42 PM

Using LV 6.1 and 8.2.1 on W2k (SP4) and WXP (SP2)
Message 19 of 23
(1,277 Views)


shoneill a écrit:

I'll get my team of me onto it right away.  I should have an answer by LV X. Smiley Surprised



Smiley Very HappySmiley Very HappySmiley Very Happy I'm still wtting myself laughing Smiley Very HappySmiley Very HappySmiley Very Happy

""my team of me"" that's too good !

Well good luck... I'll talk to my people too to see if they have an idea 😉

Message Edité par TiTou le 03-30-2006 03:51 PM


We have two ears and one mouth so that we can listen twice as much as we speak.

Epictetus

Antoine Chalons

0 Kudos
Message 20 of 23
(1,271 Views)