LabVIEW

cancel
Showing results for 
Search instead for 
Did you mean: 

Image Reconstruction

Solved!
Go to solution

I'm trying to reconstruct a sinogram image to 2-D sclice CT image. Don't known how to implemented this in Labview

 

Detail info. of the sinogram data : Array size 767 X 360(Projection) 

I'm using LV 8.6 & IMAQ.

 

Can anyone give suggestion?

 

Thanks

Lojius Lombigit

Malaysia

email: lojius@nuclearmalaysia.gov.my

Sinogram.gif

0 Kudos
Message 1 of 8
(8,928 Views)
Can you explain it with more details?
0 Kudos
Message 2 of 8
(8,920 Views)

I'm using linear array Detector with fan beam Xray source, data capture via framegrabber card and the raw data (I16) 2-D array of 767 (ray sum) X 360 (Degree of projections).

 

I manage to display the sinogram with by using IMAQ array to image.vi.

 

Now i'm trying to reconctruct tomography image from the sinogram. Do some research and find that method called filtered backprojection are commonly used for image reconstruction.

 

Can this method implemented in Labvie?

 

 

 

0 Kudos
Message 3 of 8
(8,915 Views)
0 Kudos
Message 4 of 8
(8,910 Views)
0 Kudos
Message 5 of 8
(8,906 Views)
Thanks for the suggestion. Unfotunately our institute did not have access to the journal
0 Kudos
Message 6 of 8
(8,901 Views)

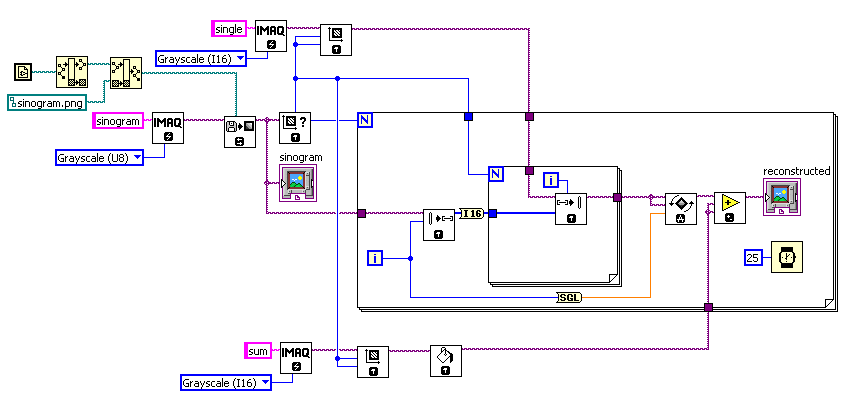
Hi,

 

Its not extremely complicated. You should propagate each row to the whole image, then rotate it and continuously add results:

 

CT Reconstruction.png

 

CT1.gif

 

But normally you will get some reconstruction artifacts, and avoiding them may be tricky...

 

Demo project in attachment. 

Good luck!

 

Andrey.

Message 7 of 8
(8,885 Views)
Solution
Accepted by topic author lojius
Thanks a lot. This is very helpfull indeed.
0 Kudos
Message 8 of 8
(8,849 Views)