LabVIEW

cancel
Showing results for 
Search instead for 
Did you mean: 

Plot Rotated Rectangle/ROI in a XY graph?

Solved!
Go to solution

Hello Zepii,

 

In attachment you can find the difference between both:

- The brown wire is an array of clusters (that contain 2 double elements)

- The pink wire is an array of clusters (that contain 2 double arrays)

Kind Regards,
Thierry C - CLA, CTA - Senior R&D Engineer (Former Support Engineer) - National Instruments
If someone helped you, let them know. Mark as solved and/or give a kudo. 😉
Download All
0 Kudos
Message 21 of 28
(1,728 Views)

Hi,

 

Thanks, but I'm aware of this, as I use that help function everyday 😄 (And even in the last post).

 

I've found a simple solution, here is it :

RectangleOK.png

 

Special thanks to tst for his help.

 

I'll mark my thread will VI as the solution to the problem, in which I quoted you both for your help.

 

Cheers,

Sébastien

0 Kudos
Message 22 of 28
(1,723 Views)

I just posted it to show why the colours are different and support tst's statement.

 

Full credit goes to tst.

 

I just wrote some text 😉

Kind Regards,
Thierry C - CLA, CTA - Senior R&D Engineer (Former Support Engineer) - National Instruments
If someone helped you, let them know. Mark as solved and/or give a kudo. 😉
0 Kudos
Message 23 of 28
(1,718 Views)

Like I said, it's very important to understand what the data types actually represent. If you use the CH window to hover over the terminal of the XY graph it shows you how single plots and multiple plots are represented. That would have told you that the array of clusters is actually multiple plots which is why the four points have different colors and are not connected.


___________________
Try to take over the world!
0 Kudos
Message 24 of 28
(1,711 Views)

Also, you still have a lot of duplication in your code. You could make it much cleaner by calling the repeated code in a loop or a subVI. You might wish to look at some of these tutorials.


___________________
Try to take over the world!
Message 25 of 28
(1,709 Views)

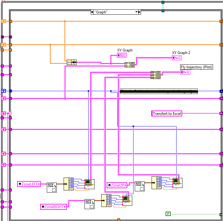
Hi,

 

Thank you for your tips.

 

I still have a "stupid" problem imo.

StillAProblem.png

 

I would like to plot the XY graph 2 and Fly Trajectory (Plot) on the same graph, but I'm just not able to. I tried to merge them in several ways, but it's not working. 

 

I know there is a probably a dimension problem of my array compared to the other one, but what I don't understand is why I can plot them separatly on the same kind of graph, even invert the wires but not merge them easily to show me the both results on 1?

I already searched on google and on LabView forum, but don't have found anything yet.

 

Is there an easy way to do it?

 

Should I open a new topic or not for this, as it's not really the same problem that I had at start and which is just a small problem compared to the original one, I hope.

 

Thank you,

Sébastien

0 Kudos
Message 26 of 28
(1,694 Views)

You don't say what the actual problem is, but try right clicking the Build Array node and checking the concatenate option and read the help to see what it does. If that doesn't help, start a new thread, but post actual code and explain exactly what the problem is.


___________________
Try to take over the world!
Message 27 of 28
(1,691 Views)

Hi,

 

Thank you for that answer, but I already tried to concatenate in several ways, but I'm not able to do anything.

 

I opened a new topic : http://forums.ni.com/t5/LabVIEW/Q-How-to-merge-2-differents-XY-Graph/td-p/2353828

 

Thank you for your help once again,


Sébastien

0 Kudos
Message 28 of 28
(1,686 Views)