LabVIEW

cancel
Showing results for 
Search instead for 
Did you mean: 

what is the simplest way to toggle the counter terminal when time has elapsed in the Complete PWM Example?

Solved!
Go to solution

I have successfully downloaded and executed this: http://www.ni.com/white-paper/2991/en

 

and I know it works because I can see the pulse train on channel #1 on my osciloscope. 

 

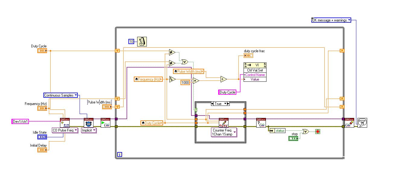
I have modified the sample code from the website to use pulse width and frequency knobs that may change dynamically:

 

pwm_mod.JPG

 

 

What I would like to do is toggle the "Dev1/ctr1" to "Dev1/ctr0" every 10 seconds.  I have investigated into the "Elapsed Time" express vi and I am able to successfully count the number of times the time has elapsed, however when 10 seconds have gone by I cannot simply update toggle input to "CO Pulse Freq" with a different counter input because it has already past that object and is busy running in the loop above.  How can I reset the pulse to execute with a different counter input?

 

In short, the Elapsed Time express VI works perfectly by itself, but when the time has elapsed how do I force restarting the pulse train with "Dev1/ctr0"?

0 Kudos
Message 1 of 4
(2,827 Views)

I have attached my VI in case anyone wants to see it.  I'm using labview 11.

0 Kudos
Message 2 of 4
(2,824 Views)

Are you trying to toggle the physical channel?

Carl W.
Applications Engineering
National Instruments
0 Kudos
Message 3 of 4
(2,776 Views)
Solution
Accepted by topic author invasion2121

assuming you want to toggle control from 1 to 0 and back every ten secs and zeroing out the other channel...index the array to write values to one or the other channel.

 

Spoiler
toggle_BD.png

note: if needed...use shift registers to hold onto the last freq/pulse width values for the last channel when toggling to the other. use 'n channel' for multiple counters, concatenate multiple channels on your counter constant

 

Spoiler
toggle2.png

 

0 Kudos
Message 4 of 4
(2,765 Views)