LabVIEW

cancel
Showing results for 
Search instead for 
Did you mean: 

wind turbine

Solved!
Go to solution

hello, i'm working in the simulation of a wind turbine model, and the problem is that the generated power by the turbine depends on the power coefficient, which depends on the  speed of the turbine, which I calculate from the integral of power generated. then generates a complicated cycle.

I hope you can help me because is very important for me.

 Here I leave my VI and wind data with which it works.

 

Download All
0 Kudos
Message 1 of 28
(9,223 Views)

It is not clear what does not work.

 

One thing I noticed: The first iteration of the loop produces a zero length array which results in NaN values appearing on many of the wires.  This persists through the later iterations.

 

Why are you creating increasingly longer arrays at each iteration?  This requires reallocation of memory on each iteration and may lead to problems when your datasets get large. 

 

Lynn 

Message 2 of 28
(9,204 Views)

 Thank you,

Well, I have seen the same thing, but i don't know what happens, may be the initializing, or the loop, i don't know.

The aim of my project is to create a electromechanical wind turbine simulator. The torque generated by the turbine will be send to a frecuency inverter which controls a induction machine.  I have the same simulation in Matlab and it works, equally produces NaN values at the start, but then stabilize.

I attached below another VI with another idea for programming, but neither works.

(the wind speed file must be entered when you run the VI and the program ask you for it).

Download All
0 Kudos
Message 3 of 28
(9,177 Views)

Look at the modification of your VI which I have attached.

 

I cleaned up the diagram to make it smaller and more readable. Diagrams should generally be no larger than one screen and wiring should go left to right.

 

I made the Gr.fico de Viento a control with the values saved as default so I did not need to read the file each time.

 

I pass one point form the array to the loop (autoindexing) to simulate getting one point at a time from the turbine.  I initialized an array to be the same size as the dataset and replace the initial values when each is received in the loop.  I initialized the array with 0.001 because zero seemed to cause the NaN which does not go way.  The Wait time was reduced to expedite troubleshooting.

 

A limiter (In Range and Coerce) keeps the values on the feedback signal from becoming infinite.  This may be wrong for your model but it lets you see what is happening. The limiting only seems to apply near the beginning.  Is there a minimum amount of data the integrator needs to produce meaningful results? 

 

Lynn 

 

0 Kudos
Message 4 of 28
(9,162 Views)

thank you very much.

I would like very much to see your corrections, but i can´t open the file that you attached because my Labview version is 8. 

I ask you to observe the second file attache (im my second asnwer) which is a little different and may be useful.
Sorry for the inconvenience.
0 Kudos
Message 5 of 28
(9,156 Views)

Here it is saved for 8.0.

 

Lynn 

0 Kudos
Message 6 of 28
(9,134 Views)

thank you,

your correction are very useful, but still the simulation don't works how as it should. The generated power must be positive and relatively constant, angular speed must be increasing, CP can't be greater than 1 and lambda must be between 0 and 25. I have inserted some limiters and the behavior aproximates to the required, but now there is an oscillation in the parameters. 

I'm sure that is not due to the operations, i think may be the integrator, i don't know.
I hope you can help me.
I would greatly appreciate your help.
Daniel. 
Download All
0 Kudos
Message 7 of 28
(9,110 Views)

sorry, the previous attached file is wrong, it lacks a cycle more inside the programming. please consider the attachment of this message.

thank you. 

Here is my simulation in Matlab Simulink and its results:

 

Matlab Simulink scheme

 

Results

0 Kudos
Message 8 of 28
(9,088 Views)

Can you post the formula you use to calculate the generated power and the angular speed?

 

The implementation in your turbina2.vi  seems unrealistic.  The angular velocity is the integral of the angular velocity from two iterations previously divided by the wind speed array cubed and other terms.  This would make the angular velocity infinite for zero wind speed.  The generated power term is dependent on the angular velocity divided by the wind speed.  Infinite power at zero speed!! Can I buy stock in your company?

 

Lynn 

Message 9 of 28
(9,066 Views)

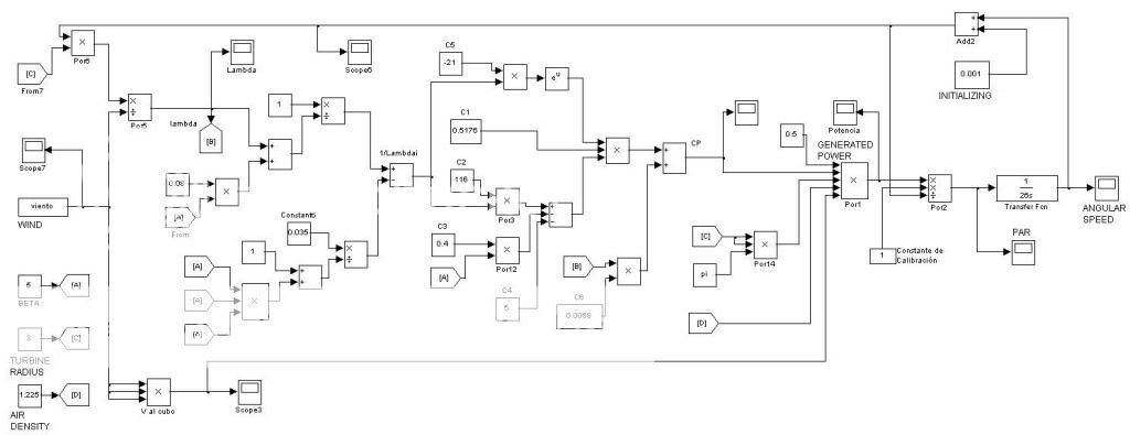
Hello, here are the formulas:

 

 

This can be the problem, The angular speed (Wm) depends on the Torque par (Tm) and the torque par depends on the angular speed. But if you see the Matlab simulation, it works perfectly in despite of this strange cycle.

 

here is a diagram of the equations: 

 

 

And at zero wind speed, the Power Coefficient is zero too.

 

 

 

i hope you canhelp me.

Reggards. 

Mensaje editado por ikarus
0 Kudos
Message 10 of 28
(9,045 Views)