Measurement Studio for .NET Languages

cancel
Showing results for 
Search instead for 
Did you mean: 

microprocessor 68000

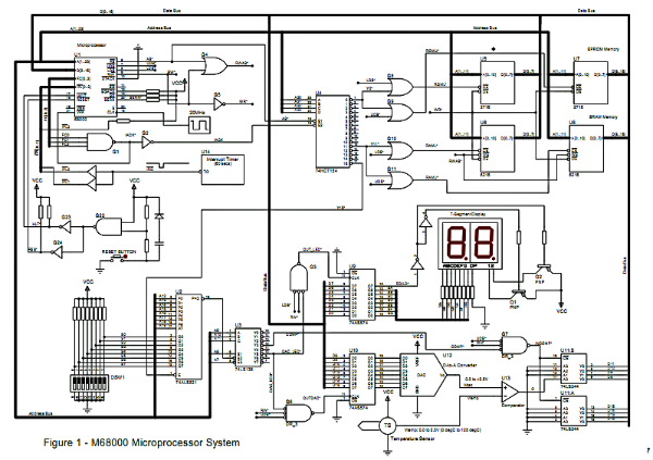
i am trying to understand this circuit for  68k microprocessor.

 

-what is the propose of U14 with the ROM and RAM  ?

-what is the start and end address for each of RAM and ROM?

-what is the assembly language stated to show F and 0 in left hand of 7 segment displaylarge.png?

0 Kudos
Message 1 of 2
(3,930 Views)

Duplicate post:

 

http://forums.ni.com/t5/Digital-I-O/68k-microprocessor/m-p/1460776

 

Thank you!

Chris T.
0 Kudos
Message 2 of 2
(3,905 Views)