(Make sure you follow all the 3 steps involved in submission. This is only Step 2 of 3. For details, visit http://bit.ly/16iNfUL)
Contact Information
Name of the College : Manipal Institute of Technology, Manipal
Name of the Team Members along with their respective current semester : Tushar Kant Roy VII
E-Mail Address & Phone Number of the Team Leader :
Tusharkant.roy@gmail.com and +919535271614
Name of the Faculty Guide :
Ms. Kanthi M
E-Mail Address & Phone Number of the Faculty Guide :
kanthi.hedge@manipal.edu and 08202924816
Project Information
Project Title: Wireless Data Acquisiton
Hardware & Software Used:
NI LABVIEW and NI cRIO 9004
What challenge/problem are you trying to solve through your application:
Monitoring of systems is an important part of an application in any industry. Also acquiring data at parllel rate becomes difficult with microcontrollers which lack parallel processing technology.
How does your application solves the above mentioned challenge/problem:
Yes the project enables system monitoring easier by acquiring data for varied field application from racecars to other applications were sensors need to be monitored
Description of Project:
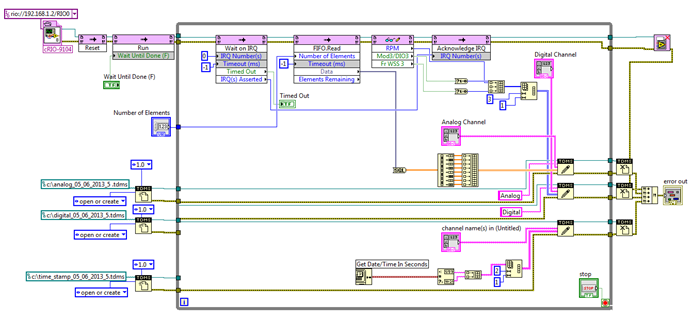
The purpose of this project is to facilitate wireless real time data acquisition at two different time rates so as to help acquire data from various sensors and at the same time save space and acquire required number of data values. This idea will help acquire data from any setup ranging from various real life situations and scenarios. It can be implemented in any industrial and instrumentation field. I will be using National Instruments software and hardware and Xillinx FPGA technology for parallel acquisition of data.
Insert Images Here:
.png)


YouTube Link of Video:
http://www.youtube.com/watch?v=r4lMcTgk7F0
Insert the Video here:
Thank You for your submission.
Please ensure you have also filled the form (http://natinstindia.com/national_instruments/NIYantra-2013-Round2.html ) and completed the submission process. Ignore this if you have already filled this form.
For any help, click http://bit.ly/14OMW3x