LabVIEW

cancel
Showing results for 
Search instead for 
Did you mean: 

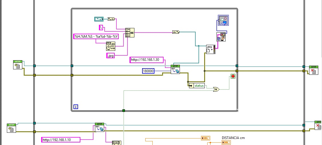
MAKE TWO HTTP REQUESTS IN PARALLEL FOR TWO DIFFERENT IP ADREESES.

I WANT TO USE HTTPCLIENTS TWO BLOCKS TO REQUESTS IP ADDRESSES TWO DIFFERENT BUT IN PARALLEL, THE SITUATION IS THAT CAN NOT GET TO WORK TOGETHER. CAN YOU HELP ME? THANKS.DOUBLE REQUETS .jpg

0 Kudos
Message 1 of 14
(4,995 Views)
Besides your broken keyboard, you don't have anything in parallel. You've got a data dependency from one get to the inner while loop. That inner while loop will only stop when there is an error and while it is running, everything else is stopped.
0 Kudos
Message 2 of 14
(4,980 Views)

@DanyckV wrote:

I WANT TO USE HTTPCLIENTS TWO BLOCKS TO REQUESTS IP ADDRESSES TWO DIFFERENT BUT IN PARALLEL, THE SITUATION IS THAT CAN NOT GET TO WORK TOGETHER. CAN YOU HELP ME? THANKS.DOUBLE REQUETS .jpg


How much HARDWARE do you have? (Besides the affore mentioned broken Caps Lock on your keyboard) You cannot use the same communications route to chat with two connections at the same time.  Not through a simple thing like a computer!   The communications could be nearly simultanious IF you have multiple network connections and an OS that has multiple independant processors to support it.  Easier, two computers that can do two jobs.


"Should be" isn't "Is" -Jay
0 Kudos
Message 3 of 14
(4,970 Views)

I NEED TO RECEIVE TWO DIFFERENTS DATAS, BY THAT REASON I WANT TO DO TWO REQUETS HTTP TO TWO DIFFERENT IP ADREESES, BUT WHEN A REQUEST OTHER WORK STOPS AND LEAVE OF RECEIVING DATA,I WANT TO WORK AT THE SAME TIME.

0 Kudos
Message 4 of 14
(4,964 Views)

Fix your Keyboard.

 

ALL CAPS is insulting


"Should be" isn't "Is" -Jay
0 Kudos
Message 5 of 14
(4,956 Views)

SORRY, I DON'T UNDERSTAND YOUR YOUR SENTENCE, I'M FROM MÉXICO AND I AM NEW IN LABVIEW.

 

I USE 2 ARDUINO WITH SHIELD WIFI.

0 Kudos
Message 6 of 14
(4,948 Views)

@DanyckV wrote:

SORRY, I DON'T UNDERSTAND YOUR YOUR SENTENCE, I'M FROM MÉXICO AND I AM NEW IN LABVIEW.

 

I USE 2 ARDUINO WITH SHIELD WIFI.


 

Typing in all capital letters (CAPITAL LETTERS) is considered rude.  It is the text equivalent of yelling and is going to make people less likely to help you 🙂

 

0 Kudos
Message 7 of 14
(4,909 Views)

@DanyckV wrote:

SORRY, I DON'T UNDERSTAND YOUR YOUR SENTENCE, I'M FROM MÉXICO AND I AM NEW IN LABVIEW.

 

I USE 2 ARDUINO WITH SHIELD WIFI.


This is a forum of professional users who volunteer their time. Typing in all capital letters is considered "Rude"

I have attempted to "suggest" that your posts sound  "Nekul'ltulrny" That is a Russian phrase that directly translates into "Uncultured"  In Japan the term would be " Baku Gaigen"  Neither has a positive connotation.  

 

 


"Should be" isn't "Is" -Jay
0 Kudos
Message 8 of 14
(4,906 Views)

Are you serius? I'm sorry I did not know, I extend a broad apology to all.

Message 9 of 14
(4,904 Views)

@DanyckV wrote:

Are you serius? I'm sorry I did not know, I extend a broad apology to all.


OK, We have you educated on "Netiquette."   Now we can help a bit more.  So, let's speak more about why you feel one serial device (your single eithernet connection) can talk to two websites at the same time.

 

And, I am impressed with your apology-  apology accepted!  (We have all had "I didn't know that" moments)


"Should be" isn't "Is" -Jay
0 Kudos
Message 10 of 14
(4,884 Views)