NI產品與技術 討論區

取消
顯示結果 
搜尋替代 
您的意思是: 

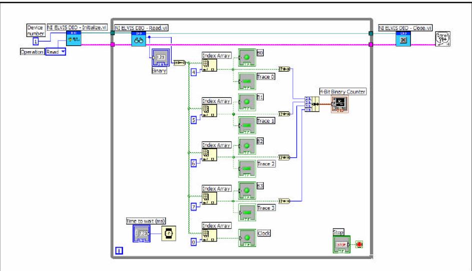
圖片中的4-bit Binary Counter

已解決!
前往解決方案

1.JPG

 

 

 

 

2.JPG

 

 

圖中為教材上面的圖片  內容中 最後面最把所有的資訊在4-bit Binary Counter中顯示出來

請問一下4-bit Binary Counter 在哪裡可以找到  我只找到顯示單一波形的  

0 積分
1 條訊息(共 2 條)
6,648 檢視
解決方案
由主題作者所接受 remember

Hi remember.

 

如果您切換到 block diagram,並且打開 ctrl H, 將滑鼠移到 4-bit Binary Counter,

 

他會顯示 waveform chart.

 

如何產生呢?

 

Front panel >>滑鼠移到 waveform chart>>右滑鼠鍵>>stack plots

 

Block diagram>> 可以放四個骰子+bundle+waveform chart 即可.

 

Thanks

 

 

 

 

2 條訊息(共 2 條)
6,643 檢視