LabVIEW

cancel
Showing results for 
Search instead for 
Did you mean: 

DAQ write DAQ read synchronisation

Solved!
Go to solution

Hi Michal,

 

Indeed, when you simulate the device, you will always receive a full period of the signal.

When you are generating with real hardware, it is up to you what exactly you write, basically, if you will write a full period of the signal, than the full period will be generated, you have to make sure that you don't generate 1.5 periods.

There is another feature with DAQ hardware, if you want to generate continuously, you can make "allow regeneration" and the same waveform will be generated over and over again. Than you have to make sure that you have full periods, otherwise it will appear glithces.
Since you have a finite generate and acquisition, you don't have to worry about that too much.

 

Best regards,

IR

0 Kudos
Message 11 of 18
(2,480 Views)

I wanted to add one more AI into the graph.. Well I have a problem with triggering how am I supposed to make it?

http://i79.photobucket.com/albums/j122/thor_tory/e3db607b-1784-4eb3-aff1-b48a844dbca7_zps88154528.pn...

 

 

Michał

0 Kudos
Message 12 of 18
(2,472 Views)

Hi Michal,


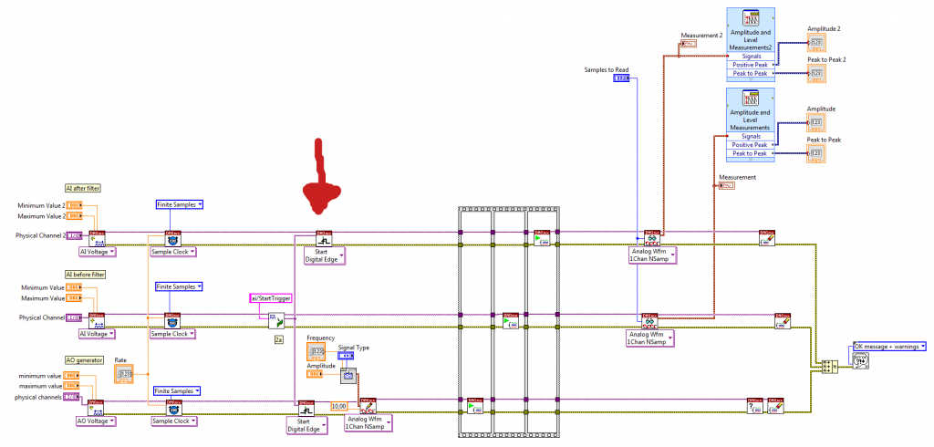
In order to acquire from two channels, you have to configure the first VI - Create Task, the control Physical channels, to choose both channels, and also in the VI that reads data, choose N channels N samples, currently you have chosen 1Channel N samples.  


Best regards,

IR

0 Kudos
Message 13 of 18
(2,461 Views)

Hi Ion, again me.. 
I do not  really understand that part of your post:


(...)In order to acquire from two channels, you have to configure the first VI - Create Task, the control Physical channels, to choose both channels, (...)

I pretty sure you meant Create Channel block although I did not find the option to choose both channels.. (http://i79.photobucket.com/albums/j122/thor_tory/1_zps63beb530.png~original) 😕 although I set the option to N channel and N samples in DAQmx Read. (for the case from figure 2).


and I should stay with figure 2 (https://www.ni.com/en/support/documentation/supplemental/21/m-series-synchronization-with-labview-an...) conception and do not add another AI Create Channel in parallel?

 

Trying to change only DAQmx Read on the AO, AI, AI case (so the thing when I added AI Create Channel in parallel) I got such a error: http://i79.photobucket.com/albums/j122/thor_tory/2_zpsff1968de.png~original right after Start Task block.

I think I am missing something.

Michał

0 Kudos
Message 14 of 18
(2,454 Views)
Solution
Accepted by topic author thor91

Hi Michal,

 

I made a short video that demonstrates the acquisition on multiple channels in the same task, and the acquisition if finite. http://screencast.com/t/DEvOp7QzQst

 

You have to add the trigger and route th sample clock to make sure the generation and acquisition are synchronized.


Best regards,

IR

0 Kudos
Message 15 of 18
(2,413 Views)

Woah! that was easy! Thanks! 


Ion, one last thing, honestly last one! So I have 2 waveforms on the plot how can I make out of it two waveforms (I mean two different waveforms(seperate wires of data) so I can measure them independetly of each other)? 'Unbundle does not seem to work:/

Michał

0 Kudos
Message 16 of 18
(2,400 Views)

OK< I found it, "split signals" did the work! 🙂

Thanks one more time! 

0 Kudos
Message 17 of 18
(2,399 Views)

Hi,

 

I need to create LV program with synchronized (same clock) write and read. This was described in some parts of this forum and solution works. But problem is when I need do change data that is to be written - for example dynamically change offset of sine wave. Then nothing is working and no data is given  to  output.

 

Could you please help me ? Have you some piece of example code ?

 

 

0 Kudos
Message 18 of 18
(2,193 Views)