LabVIEW

cancel
Showing results for 
Search instead for 
Did you mean: 

Problem repeating a couple of steps

Solved!
Go to solution

@maryus66 wrote:

Why when it reaches the case 2 it stops? It should run the three cases.


It runs three. The question is, which ones 🙂

0 Kudos
Message 11 of 36
(1,412 Views)

1 case =1

2 case=2

3 case=3

 

0 Kudos
Message 12 of 36
(1,411 Views)

Try this way

 

1 case =0

2 case=1

3 case=2

 
-----

The best solution is the one you find it by yourself
0 Kudos
Message 13 of 36
(1,404 Views)

@maryus66 wrote:

1 case =1

2 case=2

3 case=3

 


Then the answer are Messages 7 and 10.

0 Kudos
Message 14 of 36
(1,402 Views)

Finally, I can send you the VI. Cat Happy

0 Kudos
Message 15 of 36
(1,385 Views)

Does it work for you now?

-----

The best solution is the one you find it by yourself
0 Kudos
Message 16 of 36
(1,373 Views)

No, this is the original VI. Basically, I want to run that cases to sum different numbers and create a graph. Unfortunately, the cases are not executed, because the graph indicator shows only the value from the first case.

0 Kudos
Message 17 of 36
(1,368 Views)

I still do not understand your goal, but the VI in attachment has a nicer output certainly. Would you mind checking it, please? Well, you basically calculate four values in total in your VI. Could you please scratch a graph of the expected output -- so we can see what you expect?

0 Kudos
Message 18 of 36
(1,363 Views)

@maryus66 wrote:

No, this is the original VI. Basically, I want to run that cases to sum different numbers and create a graph. Unfortunately, the cases are not executed, because the graph indicator shows only the value from the first case.


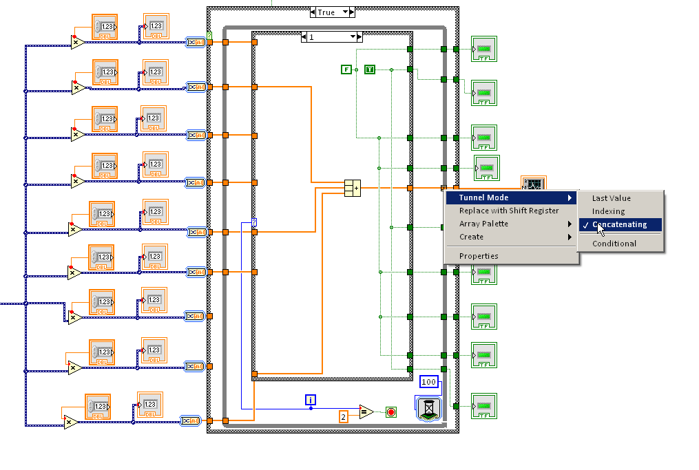
You are overwriting the values for everyother case you execute. Right click the Output node (DBL 1D array) which goes to the graph and select Tunnel Mode>concatenating.

-----

The best solution is the one you find it by yourself
0 Kudos
Message 19 of 36
(1,355 Views)

This is what I meant.

 

Concatenate.png

-----

The best solution is the one you find it by yourself
0 Kudos
Message 20 of 36
(1,348 Views)